NU 2210 ECM Cylindrical Roller Bearing
NU type single row cylindrical roller bearing
Single row cylindrical roller bearings are designed to withstand radial heavy loads and high speed applications. NU bearing has integral guards on both sides of the outer ring and no guards on the inner ring, allowing two-way axial displacement. An important feature is the separable design, which facilitates installation, and the various parts of the bearing are interchangeable.
High radial bearing capacity
Low friction
Long service life
Can withstand bidirectional axial displacement
Separable design
Technical parameters of cylindrical roller bearing NU2210ECM.
Cylindrical rolling bearing permits it to accommodate radial masses whilst additionally being capable to accommodate restrained thrust loads. This layout reduces friction between the bearing and the machine, making sure environment friendly electricity transmission. With its single or double row variants, it can meet the specific wishes of a extensive vary of industries.
The bearings provide excessive load carrying capacity, low friction operation and exceptional put on resistance. Combined with its compact and light-weight design, it can be without difficulty built-in into any computing device barring taking up a good deal space. This makes it perfect for each massive and small mechanized systems.

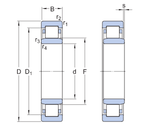
Diameter
d | 50mm | Bore diameter |
D | 90mm | Outside diameter |
B | 23mm | Width |
D1 | 77.58mm | Shoulder diameter of outer ring |
F | 59.5mm | Raceway diameter of inner ring |
r1,2 | min.1.1mm | Chamfer dimension |
r3,4 | min.1.1mm | chamfer dimension |
s | max.1.5mm | Permissible axial displacement |

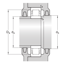
Abutment dimensions
da | min.57mm | Diameter of the spacer sleeve |
da | max.57.5mm | Diameter of spacer sleeve |
db | min.61mm | Diameter of shaft abutment |
Da | max.82.4mm | Diameter of the housing abutment |
ra | max.1mm | The radius of fillet |
rb | max.1mm | Radius of fillet |
Calculation data
Basic dynamic load rating | C | 90 kN |
Basic static load rating | C0 | 88 kN |
Fatigue load limit | Pu | 11.4 kN |
Reference speed | 8500 r/min | |
limiting speed | 9000 r/min |
Mass: 0.66kg

