E2.6003-2Z/C3 Deep Groove Ball Bearings
Deep groove ball bearings are the most commonplace form of rolling bearings, and may be utilized in gearboxes, instruments, motors, household appliances, internal combustion engines, transportation automobiles, agricultural equipment, creation equipment, engineering machinery, yo-yos, and many others.
Deep groove ball bearings are the most not unusual sort of rolling bearings. it includes an outer ring, an internal ring, a fixed of metallic balls and a set of cages. there are types of deep groove ball bearings: single row and double row. the shape of deep groove ball is likewise divided into types: sealed and open. the open kind approach that the bearing does now not have a sealed structure. seal. the cloth of the dust-proof sealing cowl is stamped steel plate, which clearly prevents dirt from coming into the bearing raceway. the oil-evidence type is a touch oil seal, that may correctly save you the grease inside the bearing from overflowing.
Product introduction
Deep groove ball bearings are the most commonplace form of rolling bearings, and may be utilized in gearboxes, instruments, motors, household appliances, internal combustion engines, transportation automobiles, agricultural equipment, creation equipment, engineering machinery, yo-yos, and many others.


Running precept
Deep groove ball bearings especially endure radial masses, and also can bear radial masses and axial hundreds at the identical time. while it's far most effective subjected to radial masses, the touch angle is zero. whilst the deep groove ball bearing has a huge radial clearance, it has the overall performance of an angular touch bearing and can resist a huge axial load. the friction coefficient of the deep groove ball bearing is small, and the restriction velocity is likewise high.
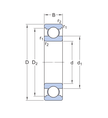
Size parameters
Size parameters | |
outer diameter | 35mm |
inner diameter | 17mm |
thickness | 10mm |
weight | 0.039kg |
Rated dynamic load | 6400N |
Rated static load | 3250N |
limit speed | 31000 r/min |
reference speed | 20300 r/min |
Bearing traits
Deep groove ball bearings are the maximum normally used rolling bearings. it has a simple structure and is convenient to apply. it is mainly used to bear radial load, but whilst the radial clearance of the bearing is extended, it has a certain performance of angular touch ball bearing, and may bear blended radial and axial masses. while the velocity is excessive and thrust ball bearings aren't appropriate, they can also be used to bear pure axial loads. in comparison with different forms of bearings with the identical specification and length as deep groove ball bearings, this kind of bearing has a small friction coefficient and a excessive restrict velocity. but, it isn't immune to effect and isn't always appropriate for heavy loads.
After the deep groove ball bearing is established on the shaft, inside the axial clearance variety of the bearing, it may limit the axial displacement of the shaft or the housing in directions, so it is able to be located axially in each guidelines. similarly, this type of bearing additionally has a certain self-aligning ability. when it is tilted 2'~10' relative to the housing hole, it can still paintings generally, however it will have a certain effect on the life of the bearing.
Photo of company



