6200 Deep groove ball bearing
Simple,versatile and sturdy design
Low friction
High-speed capability
Accommodate radial and axial loads in both directions
Require little protection
Technical parameters of deep groove ball bearing 6200.
Single row deep groove ball bearing are mainly versatile,have low friction and are optimized for low noise and low vibration,which approves immoderate rotational speeds. They accommodate radial and axial loads in every directions,are trouble-free to mount,and require a whole lot much less safety than many distinct bearing types.
Deep groove ball bearings can be used in transmissions, instruments, electrical machines, family appliances, inner combustion engines, visitors vehicles, agricultural machinery, building machinery, development machinery, curler skates, yo-yo and so on.Deep groove ball bearing is the most usually used rolling bearing. Its shape is easy and effortless to use. It is generally used to undergo radial load, however when the radial clearance of the bearing is increased, it has a sure overall performance of angular contact ball bearing and can undergo the blended radial and axial load. When the pace is greater and the thrust ball bearing is no longer suitable, it can additionally be used to undergo pure axial load. Compared with different sorts of bearings with the equal measurement and specification of deep groove ball bearings, such bearings have small friction coefficient and excessive restriction speed. But no longer affect resistant, no longer appropriate to undergo heavy loads.
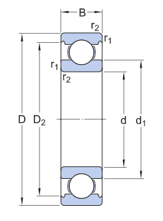
Dimensions:
d | 10 mm | Bore diameter |
D | 30 mm | Outside diameter |
B | 9 mm | Width |
d1 | 17 mm | Shoulder diameter |
D2 | 24.72 mm | Recess diameter |
r1,2 | min.0.6 mm | Chamfer dimension |

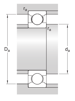
Abutment dimensions:
da | min.14.2mm | Diameter of shaft abutment |
Da | max.25.8mm | Diameter of housing abutment |
ra | max.0.6mm | Radius of shaft or housing fillet |
Calculation data:
Basic dynamic load rating | C | 5.4kN |
Basic static load rating | C0 | 2.36kN |
Fatigue load limit | Pu | 0.1kN |
Reference speed | 5600 r/min | |
Limiting speed | 36000 r/min | |
Minimum load factor | kr | 0.025 |
Calculation factor | f0 | 13 |
Mass : 0.031kg


