Full Complement Cylindrical Roller Bearings SL185013
Full Complement Cylindrical Roller are designed to withstand heavy loads. At the same width, this kind of bearing has extremely high bearing capacity, small radial section, and can save space compared with the traditional type of belt cage bearing, but the speed is relatively low.
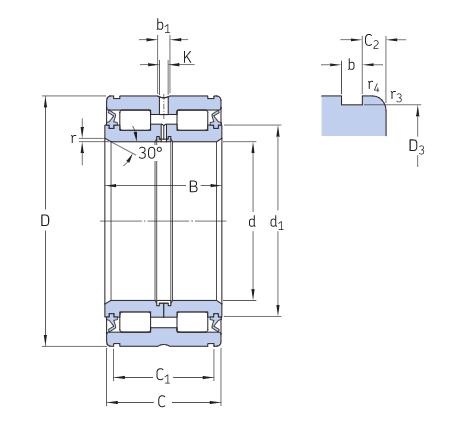
Full Complement Cylindrical Roller Bearing
These bearings are designed to meet the demands of heavy duty applications requiring high load carrying capacity and space saving solutions.
One of the most important properties of these bearings is their ability to withstand heavy loads. This is achieved by using full rollers, which distribute the load evenly across the bearing. Compared to traditional cage bearings, full complement cylindrical roller bearings offer higher load carrying capacity in the same width, making them ideal for space-constrained applications.
In addition to their high load carrying capacity, full complement cylindrical roller bearings have a smaller radial section, which means they take up less space than conventional bearings. This makes them ideal for use in applications where space is at a premium, such as in the automotive and aerospace industries. In addition, the compact design of these bearings makes them easy to install and maintain.
A potential disadvantage of full complement cylindrical roller bearings is their relatively low speed. Due to the increased number of rollers in these bearings, they may not be suitable for applications requiring high speeds. However, these bearings are an excellent choice for applications where high load capacity and space-saving solutions are prioritized over speed.

Dimensions
65 mm | Bore diameter |
100 mm | Outside diameter |
46 mm | Width |
≈78 mm | Shoulder diameter inner ring |
≈88.3 mm | Shoulder diameter outer ring |
4.5 mm | Width annular lubrication groove outer ring |
3.5 mm | Diameter lubrication hole (outer ring) |
max.1.5 mm | Permissible axial displacement from the normal position of one bearing ring relative to the other |
min.1.1 mm | Chamfer dimension (open bearings) |
min.0.6 mm | Chamfer dimension |
Calculation data
| Basic dynamic load rating | C | 209 kN |
|---|---|---|
| Basic static load rating | C0 | 325 kN |
| Fatigue load limit | Pu | 40 kN |
| Reference speed | 3 000 r/min | |
| Limiting speed | 3 800 r/min | |
| Minimum load factor | kr | 0.5 |
Mass: 1.32 kg


