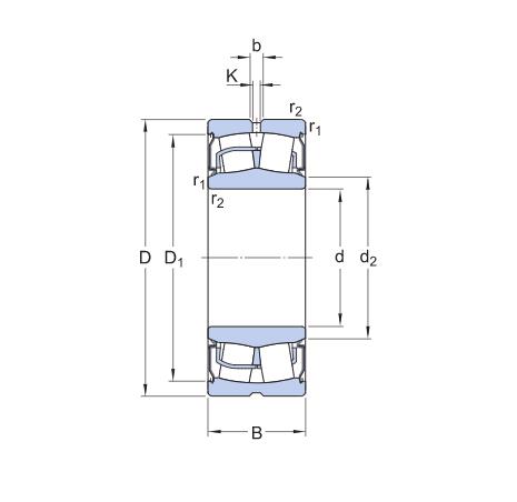
A spherical roller bearing is a rolling-element bearing that allows rotation with low friction, and allows angular misalignment. Typically these bearings assist a rotating shaft in the bore of the internal ring that may additionally be misaligned in respect to the outer ring. The misalignment is possible due to the spherical inner structure of the outer ring and spherical rollers.


DIMENSIONS
Bore diameter 25 mm
Outside diameter 52 mm
Width 23 mm
Performance
Basic dynamic load rating 49.9 kN
Basic static load rating 44 kN
Limiting speed 6 300 r/min
Properties
Number of rows 2
Locating feature, bearing outer ring Without
Bore type Cylindrical
Cage Sheet metal
Radial internal clearance CN
Tolerance class for dimensions Normal
Tolerance class for run-out P5
Sealing Seal on both sides
Sealing type Contact
Lubricant Grease
Relubrication feature With

Spherical roller bearings are not actually spherical in shape. The rolling factors of spherical roller bearings are mostly cylindrical in shape, however have a profile that makes them appear like cylinders that have been barely over-inflated.
Construction
Spherical roller bearings consist of an internal ring with two raceways inclined at an angle to the bearing axis, an outer ring with a frequent spherical raceway, spherical rollers, cages and, in certain designs, additionally interior information rings or centre rings. The bearings can additionally be sealed.
Applications
Gearboxes Pumps Wind Turbines Material Handling Mining and construction equipmentSpecifications
Inner Diameter: 25 mm Outer Diameter: 52 mm Width: 23mm

