Tapered roller bearing 39250 39412
It can easily support a variety of directional loads.
It is capable of supporting a combination of heavy thrust and radial load capabilities better than spherical, cylindrical or needle roller bearings.
Most standard installations can withstand any combination of pure radial, pure axial and unmodified load conditions.
Tapered roller bearing 39250 39412. This bearing is imperial standard.
First of all, tapered roller bearings have higher carrying capacity and higher stiffness, can withstand large radial and axial loads, and can provide a certain preload, making the bearing work more stable and reliable.

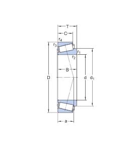
ITEM 39250/39412
INNER RING 39250
OUTER RING 39412
DIMENSIONS (mm)
d 63.500
D 104.775
T 21.433
LOAD RATING N
C1 89600
e 0.39
Y 1.55
C90 23200
Ca90 15400
K 1.51
Ca90 120000
BEARING
B 22.000
C 15.875
a(3) -1.5
SHAFT
R 2.0
da 69.0
db 73.0
r 2.0
Da 100.0
Db 96.0
CAGE
Aa 1.70
Ab 2.30
COEFFICIENT
G1 51.7
G2 19.5
Cg 0.0947
WEIGHT
kg 0.68
Secondly, the friction coefficient of tapered roller bearings is small, and the friction during operation is small, which can reduce energy loss and improve mechanical efficiency.

In addition, the installation and maintenance of tapered roller bearings is relatively simple, and the mechanical structure and processing process are also relatively simple. The inner and outer rings of the same type of bearing can be installed and maintained separately for easy maintenance and replacement.
Finally, tapered roller bearings have a wide range of applications and can be used in a variety of mechanical equipment, such as automobiles, trains, ships, cranes, agricultural machinery and so on.
In summary, tapered roller bearings have many advantages such as load bearing capacity, high stiffness, small friction coefficient, easy installation and easy maintenance, so they are widely used in various mechanical equipment

