GE17ES Spherical Plain Bearing
Spherical plain bearings can withstand radial and radial and axial combined loads and misalignment. This particular design includes a combination of steel to steel sliding contact surfaces. Bearings need maintenance, which can be supplemented by lubrication holes and annular grooves in the inner and outer rings.
Designed for radial and combined radial and axial loads
Suitable for heavy static, alternating or impact loads
Good quality
Fase delivery
Best after-sale service
GE17ES Spherical Plain Bearing
Complete Categories, Sturdy And Durable, Good Stability, Professional Tools In The Industrial Field, Used With Machine Tools And Other Equipment
Model Number: GE17ES
FeaturesLubrication: requiring maintenance
Unit Weight: 0.041kg
Dynamic Load Ratings: 21.2KN
Description
Spherical simple bearings are generally made by surface phosphating, blasting, inserts, spraying and other unique processing strategies, in order that their load capability is large, effect resistance, corrosion resistance, put-on resistance, self-aligning, exact lubrication and plenty of other benefits.

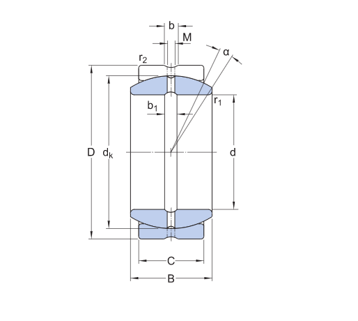
Dimensions
17 mm | Bore diameter |
30 mm | Outside diameter |
14 mm | Width |
10 mm | Width outer ring |
10 ° | Angle of tilt |
25 mm | Raceway diameter inner ring |
2.3 mm | Width annular lubrication groove at the outer ring |
2.4 mm | Width annular lubrication groove at inner ring |
1.5 mm | Diameter lubrication hole (outer ring) |

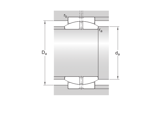
Abutment dimensions
min.19 mm | Abutment diameter shaft |
max.20.7 mm | Abutment diameter shaft |
min.23.7 mm | Abutment diameter housing |
max.28.3 mm | Abutment diameter housing |
max.0.3 mm | Fillet radius shaft |
max.0.3 mm | Fillet radius housing |
Calculation data
| Basic dynamic load rating | C | 21.2 kN |
|---|---|---|
| Basic static load rating | C0 | 106 kN |
| Specific dynamic load factor | K | 100 N/mm² |
| Specific static load factor | K0 | 500 N/mm² |
| Material constant | KM | 330 |
Mass 0.05kg

Service
The salesman will pick out the most appropriate products at the customer's request. The engineer will follow the utilization throughout the process. The client can talk with an engineer at once if there is any problem.

