1200 Self-aligning ball bearings(Double row ball aligning ball bearing1200)
Low noise High load capacity High-precision Corrosion resistance
Seiko production
Dust-proof,liquid-proof,muting effect is good,suitable for the worse environment
Bearing steel
High speed,high temperature resistance,fast heat dissipayion,widely used
Exquisite craftsmanship
Super high speed,low friction,good idling effect
1200 Self-aligning ball bearings(Double row ball aligning ball bearing1200)

DIAMETER
d: 10 mm
OD: 30 mm
B: 9 mm
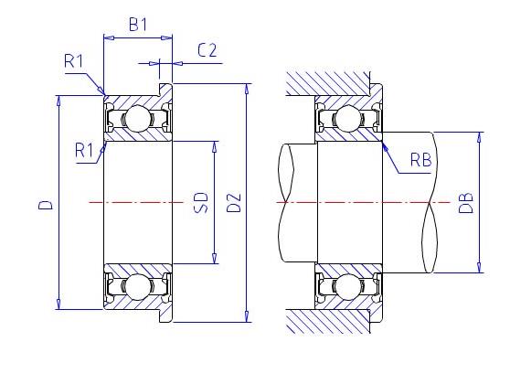
A self-aligning ball bearing consists of an outer ring, an inner ring, a rolling element, a cage housing the rolling element and a possible seal that protects the rolling element and lubricant from contamination. Their design allows them to compensate shaft and housing assemblies for up to three degrees of misalignment. The low friction within the bearings will allow them to run at higher speeds while generating much less heat than other bearings.
1. Outer ring
Bearing outer ring is smooth spherical, no raceway. Because of the shape of the ring, the bearing can move slightly within it, thus adjusting out of alignment.
2. Inner ring
The inner ring of the self-aligning bearing consists of two raceways, which are fixed with the ball and cage.
3. Rolling body and cage
The cage and inner ring hold the rolling element of the self-aligning ball bearing in place. Because of the loose structure between the ball and the inner and outer rings, friction and heat of friction are very low. Typically, cages are made of stamped steel, reinforced fiberglass, or machined brass.
4. Sealing
Self-aligning sealed ball bearings prevent dust and other contaminants from affecting rolling elements and lubricants. This greatly extends the service life of bearings, eliminates additional friction and reduces maintenance costs and interval time.


