Cylindrical roller bearings NU318
1. Optimize the internal design
2. Optimize the surface contact geometry
3. Internal load distribution is better and more uniform
Cylindrical roller bearings NU318
character of Cylindrical roller bearing
Roller and raceway are line contact or corrected line contact, radial bearing capacity is large, suitable for bearing heavy loads and impact loads.
Small friction coefficient, suitable for medium and high speed, limit speed close to deep groove ball bearings.
N type and NU type can move axially, can adapt to the change of the relative position of the shaft and the housing caused by thermal expansion or installation error, and can be used as a free end support.
The processing requirements for the shaft or seat hole are higher, and the relative deviation of the outer ring axis after the bearing installation should be strictly controlled to avoid contact stress concentration.
The inner ring or outer ring can be separated for easy installation and disassembly.
The roller and raceway of W-shaped cylindrical roller bearings are designed with convexity modification, so the edge stress can be eliminated and the bearing life can be improved. WD cylindrical roller bearing flange design has a certain inclination Angle, so its bearing axial load is larger than the conventional design.

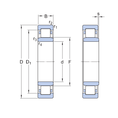
DIMENSION
90 d mm ID
190 D mm OD
43 B mm W
3.0 R mm
3.0 R1 mm
113.5 FW mm
0.0 EW mm
WEIGHT
Mass: 5.38kg
Application and Case:
1. Large and medium-sized motor, reducer, automobile gearbox, automobile axle, compressor, machine tool spindle, hot and cold rolling mill neck, lifting equipment pulley, mining and construction machinery, etc.
2. WD cylindrical roller bearing application cases: gear box, diesel engine, automobile, reducer, construction machinery, compressor.
3. Basic types: N, NJ, NU, NUP, NF, RN, RNU, etc.
4. Dimensions: WD cylindrical roller bearing dimensions according to ISO15-1998 standards.
5. Tolerance classes: P0, P6, P5, tolerance values in line with ISO492-2002 standard
6. Clearance: C0, C3, C2, C4, clearance range in accordance with ISO5753‐1991 standard (the above is the value before installation without load)
7. Cage: nylon cage, copper frame type solid cage, iron frame type solid cage, B cage
8. Vibration: The vibration acceleration level reaches Z, Z1 group, and the vibration speed level reaches V, V1 group

