Thrust roller bearing 29244M
1. The friction coefficient of thrust bearing is small, so the friction resistance and beginning friction torque are small, and the electricity consumption is less
2.The measurement has been internationally standardized, serialized, universal, appropriate for mass production, correct interchangeability, handy to set up disassembly and maintenance;
3. The thrust bearing interior clearance is small, excessive machining precision, you can enhance the bearing pressure through making use of prepressure, which is very vital for precision machinery;
Thrust Cylindrial roller bearing 29244M

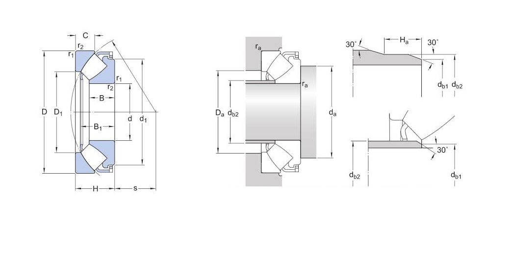
Dimensions
220 mm | Bore diameter |
300 mm | Outside diameter |
48 mm | Height |
≈280 mm | Outside diameter of shaft washer end side face |
≈252 mm | Shoulder diameter outer ring |
30 mm | Width shaft washer or length of shaft washer bore diameter that fits on shaft (bearings with a stamped steel cage) |
43.4 mm | Height shaft washer + cage |
24.5 mm | Height housing washer |
117 mm | Distance from shaft washer end side face to pressure point |
min.2 mm | Chamfer dimension shaft washer |
Abutment dimensions
min.255 mm | Diameter of shaft abutment |
max.224.5 mm | Abutment diameter of spacer ring |
max.227 mm | Outside diameter of spacer ring |
min.17 mm | Length of spacer ring |
max.271 mm | Diameter of housing abutment |
max.2 mm | Fillet radius |

Thrust roller bearings are separated bearings, which are rigid, occupy little space, can bear large axial load, and have very low sensitivity to impact load.
Its structure can be divided into thrust cylindrical roller bearing, thrust tapered roller bearing and thrust aligning roller bearing.
This kind of bearing retainer can be made of lathe body and steel plate. Thrust cylindrical roller bearings and thrust tapered roller bearings have lower allowable speed and are often used in situations where thrust bearings cannot be used, while thrust aligning roller bearings can bear both axial and radial loads, and can be used in extremely heavy load situations with higher allowable speed.
Thrust roller bearings are used to bear axial and radial combined loads which are mainly axial loads, but the radial load shall not exceed 34% of the axial load. Compared with other thrust roller bearings, this bearing has lower friction factor, higher speed and aligning performance.

