Cylindrical roller bearing N306M
1. Radial bearing capacity is large which is suitable for heavy load and impact load.
2. Small friction coefficient, suitable for high speed. Limit speed close to deep groove ball bearings.
3. N type and NU type can move axially and can adapt to the change of the relative position of the shaft and the shell caused by thermal expansion or installation error which can be used as free end support.
4. Inner ring or outer ring can be separated, easy to install and disassemble.
Cylindrical roller bearing N306M
Appropriate for axial hundreds in one direction
Polyamide nylon cage is lightweight and produces much less noise and vibration than brass cages
May be operated at temperatures up to a hundred and twenty stages c
Metric unit measurements for industry consistency
Meets specification iso 104 for roller thrust bearing boundary dimension

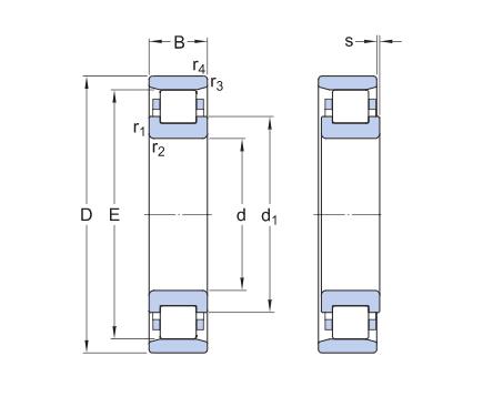
Dimensions
30 mm | Bore diameter |
72 mm | Outside diameter |
19 mm | Width |
≈45 mm | Shoulder diameter of the inner ring |
62.5 mm | Raceway diameter of the outer ring |
min.1.1 mm | Chamfer dimension |
min.1.1 mm | Chamfer dimension |
max.1.4 mm | Permissible axial displacement |

1. N-type is an outer ring without a guard, NU type is an inner ring without a guard cylindrical roller bearing. This type of bearing can accept the larger radial load, and high limit speed, does not bind the axial displacement of the shaft or the shell, and can not accept axial load.
2. NJ type, NF type cylindrical roller bearings are inner and outer rings with guards which can bind the axial displacement of the shaft or shell in one direction and can accept small one-way axial load. NU series+HJ series, NJ series+HJ series, NUP series bearings, all can bind the axial displacement of the shaft or shell in two directions in the axial clearance field of imported bearings, and can accept small two-way axial load.



