High precision 7216 Angular contact bearing
The bearings achieve safe operation at higher speed conditions.
The overall performance of the bearing has been multiplied yr by way of year, and the inside parameters have been similarly optimized below the new technology of procedure conditions.
The bearings have low friction and very little noise or vibration, These characteristics make them to be available for conditions of high speed, high precision, low friction and low noise operations.
7216AC is angular contact bearing with nylon cage. We also have types of steel and brass cage.
It is widely used in various industries due to its excellent load-carrying capacity, versatility, and long service life. Extensively used in domestic appliances, electric powered tools, health equipment, motors, clinical devices, motorbikes, cloth machines, automobiles and different areas.
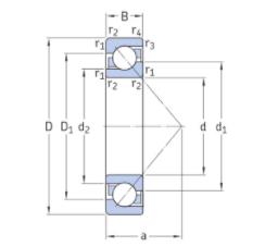
DIMENSIONS

| d | 80 mm |
| D | 140 mm |
| B | 26 mm |
| d1 | ≈103.55 mm |
| d2 | ≈91.44 mm |
| D1 | ≈117.85 mm |
| a | 59 mm |
| r1,2 | min.2 mm |
| r3,4 | min.1 mm |

The angular contact ball bearing can bear radial load and axial load at the same time, and can also bear pure axial load, and its axial load capacity is determined by the contact Angle, and increases with the increase of the contact Angle.
Package
Pallet, wooden case,industrial package or as customers' requirement.
FAQS:
Q: How about quality control?
A: Our company has been a expert bearing manfacture for 1o year. We continually insist high-quality first. We have our bearing factory, consequently we have advantage in high-quality control and price.
Q;What is the shipping time?
A: Most of the bearing we have stock. For small quantity, we will arrange shipping within three days.
Q;What is your payment term?
A: Our payment term are T/T, Western Union, L/C nd so on.
Q;Can you send bearing samples first?
A: Yes, we can send bearing samples to test quality first.
| High quality steel: ultra-clean steel makes bearing extends life up to 80%. |
| Llubrication technology: Best lubrication grease extend products life and performance. |
| High-grade balls: quiet and smooth operation even in the case of high-speed. It also can maintain smooth operation. |
| Super finished raceway: special grinder, to reduce the occurrence of noise, improve the distribution of lubricating oil and life. |
| Contact Angle: 15,25,30 and 40 degrees. |
| Good seals resistance to pollution in harsh environment. |
| Cage: reference application range is nylon, steel, brass cage components etc. |
| Quality assurance: 100% test carefully to ensure the quality of the whole product. |

