Angular contact bearing 3203-2RS
High stiffness and load capacity
Suitable for high-speed rotation and large radial and axial loads.
Its seas can effectively prevent dust and pollutants from entering the bearing interior and extend the bearing life.
3203-2RS is angular contat ball bearing. It consists of inner ring, outer ring,balls and seals. -2RS type is rubber seals.
Widely used in machine tools, metallurgy, mining, petroleum, chemical, electric power and other industries.
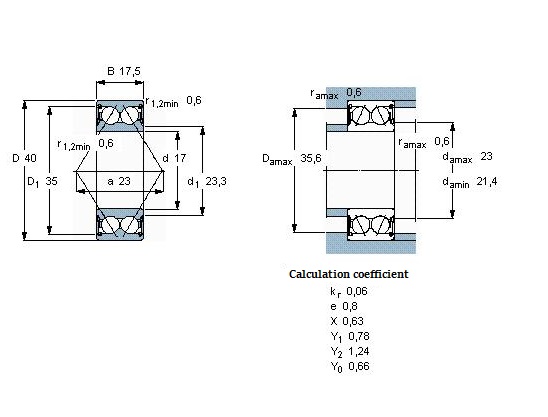
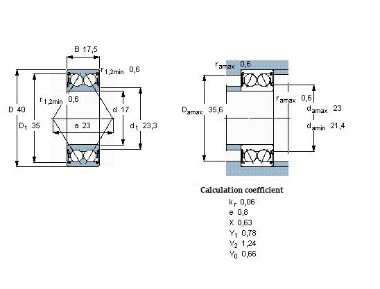
DIMENSIONS

| MAIN DIAMETER | |
| d | 17mm |
| D | 40mm |
| B | 17.5mm |
| Basic load rating | |
| C | 14300N |
| C0 | 8800N |
| Limited load rating | |
| Pu | 365N |
| Limited speed | 12000 r/min |
| Weight | 96 g |

Double-row angular contact ball bearings like the 3203-2RS are particularly useful for applications where there are both radial and axial loads present, as they can handle both types of forces simultaneously. The rubber seals provide added protection against contamination from dust, dirt, and other particles. Overall, the 3203-2RS is a versatile and reliable bearing that can be used in a wide range of industrial and commercial settings.
| High quality steel: ultra-clean steel makes bearing extends life up to 80%. |
| Llubrication technology: Best lubrication grease extend products life and performance. |
| High-grade balls: quiet and smooth operation even in the case of high-speed. It also can maintain smooth operation. |
| Super finished raceway: special grinder, to reduce the occurrence of noise, improve the distribution of lubricating oil and life. |
| Contact Angle: 15,25,30 and 40 degrees. |
| Good seals resistance to pollution in harsh environment. |
| Cage: reference application range is nylon, steel, brass cage components etc. |
| Quality assurance: 100% test carefully to ensure the quality of the whole product. |

