3203-2RS Double row angular contact ball bearings
3202-2RS Double row angular contact ball bearings correspond, of their design and operation, to a couple of unmarried rows angular contact ball bearings in a lower back-to-again association, while requiring less axial area. they could function at high speeds and are more appropriate than deep groove ball bearings for supporting massive axial forces in both guidelines.
High-speed functionality
Accommodate relatively excessive radial masses, excessive axial loads in each direction, and tilting moments
Suitable wherein a stiff bearing association is needed
Require less axial area than equivalent pair of single-row angular touch ball bearings
3203-2RS Double row angular contact ball bearings
The bearings are made of bearing steel for durability and resistance to rust, corrosion, and deformity under heavy loads
Rolling bearings use rolling elements to maintain the separation between moving parts to reduce rotational friction and support radial and axial loads, and it has small friction and high-limit speed
The bearing has a shield to keep lubricant in and contaminants out; protects the working parts of the bearing from environmental debris that may be introduced and could reduce the ball bearing speed and lifespan
Rolling bearings are used in a range of applications from agricultural machinery to conveying equipment, robotics, dental equipment, elevators, rolling mills, ship rudder shafts, aggregate crushers, skateboards, inline skates, and scooters, among others

Detailed parameters and installation dimensions:
Model | 3203-2RS (5203-2RS) |
Seal Type | Double Sealed |
Inner Race/Outer Race Material | Chrome Steel (GCr15) |
Cage Material | Stamping Steel |
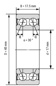
Inner Diameter (d) | 17mm |
Outer Diameter (D) | 40mm |
Thickness (B) | 17.5mm |
Dynamic Load Rating (Cr) | 13.8kN |
Static Load Rating (Cor) | 18.2kN |
Accuracy Class | P0 (ABEC-1) |
Noise Level | Z1 |
Application:


