Pillow block bearing UCP211
Pillow (plummer) block ball bearing units consist of an insert bearing mounted in a cast iron housing that can be bolted to a support surface. This variant is strong and stiff, and is suitable for applications with both constant and alternating directions of rotation. It has an inner ring extended on both aspects and is locked onto the shaft by tightening a set screw on the inner ring, making it easy to mount.
Strong
Designed for a steady and alternating rotation
Ready to mount
Lubricated and sealed bearing
Quick locking onto the shaft
Cost-effective
Pillow block ball bearing unit UCP211 is the assembly of pillow block P211 and insert bearing UC211.
Material, housing/bearing | Cast iron/Bearing Steel GCr15 |
Sealing, bearing | Seal and flinger on each side |
Sealing type, bearing | Contact, standard |
Sealing, unit | no |
Coating | no |

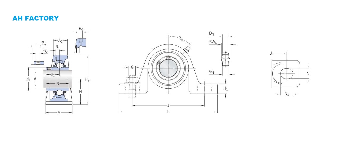
Dimensions
55 mm | Bore diameter |
≈70 mm | Shoulder diameter of inner ring |
59 mm | Base width |
36 mm | Top width |
55.6 mm | Width of inner ring |
9.5 mm | Distance from locking device side face to thread centre |
63.5 mm | Height of spherical seat centre |
22 mm | Foot height |
126 mm | Overall height |
171 mm | Distance between attachment bolts |
max.173 mm | Distance between attachment bolts |
min.169 mm | Distance between attachment bolts |
219 mm | Overall length |
20 mm | Diameter of attachment bolt hole |
22 mm | Length of attachment bolt hole |
33.4 mm | Distance from locking device side face to raceway centre |
THREADED HOLE
1/8-27 NPT | Housing thread for the grease fitting |
4 mm | Axial position of the housing thread |
45 ° | Angular position of the housing thread |
GREASE FITTING
6.589 mm | Diameter of head sphere of grease fitting |
11.11 mm | Hexagonal key size for the grease fitting |
1/8-27 NPT | Thread of grease fitting |
Calculation data
| Basic dynamic load rating | C | 43.6 kN |
|---|---|---|
| Basic static load rating | C0 | 29 kN |
| Fatigue load limit | Pu | 1.25 kN |
| Limiting speed | 3 000 r/min | |
Limiting speed with shaft tolerance h6 |
Mass
| Mass bearing unit | 3.6 kg |
Mounting information
| Set screw | G2 | M10x1.25 |
|---|---|---|
| Hexagonal key size for set screw | 5.08 mm | |
| Recommended tightening torque for set screw | 16.5 N·m | |
| Recommended diameter for attachment bolts, mm | G | 16 mm |
| Recommended diameter for attachment bolts, inch | G | 0.625 in |
Included products
| Housing | P 211 |
| Bearing | UC 211 |

