Tapered roller bearing LM102949 LM102910
Single row tapered roller bearings, inch sizes, are designed to accommodate combined radial and axial loads and provide low friction during operation. The inner ring, with rollers and cage, can be mounted separately from the outer ring. These separable and interchangeable components facilitate mounting, dismounting and maintenance. By mounting one single row tapered roller bearing against another and applying a preload, a rigid bearing application can be achieved.
High radial and axial load carrying capacity
Accommodate axial loads in one direction
Low friction and long service life
Separable and interchangeable components
Taper roller bearing LM102949/10; Tapered roller bearing LM102949/10 imperial inch bearing
The LM102949/10 bearing is designed to withstand extreme temperature ranges, making it a reliable choice for a wide range of industries. Whether you are working in heavy-duty industries such as construction, mining, or manufacturing, our taper roller bearing is the right choice for you.
Our flagship product LM102949/10 is perfect for all kinds of machinery, including cars, trucks, and trailers. It is easy to install and ensures smooth operation, reducing downtime and increasing productivity.


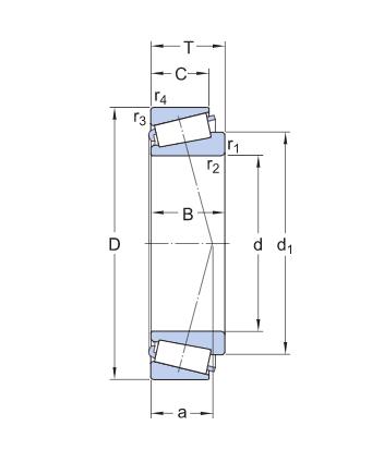
Dimensions
45.242 mm | Bore diameter |
73.431 mm | Outside diameter |
19.558 mm | Total width |
≈59.4 mm | Shoulder diameter of inner ring |
19.812 mm | Width of inner ring |
15.748 mm | Width of outer ring |
min.3.5 mm | Chamfer dimension of inner ring |
min.0.8 mm | Chamfer dimension of outer ring |
14.727 mm | Distance side face to pressure point |
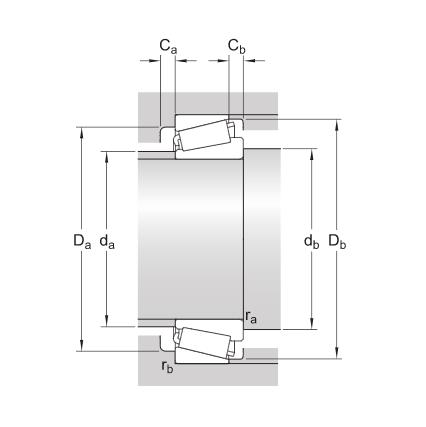
Abutment dimensions
max.52 mm | Diameter of shaft abutment |
min.57.5 mm | Diameter of shaft abutment |
min.66 mm | Diameter of housing abutment |
max.67.5 mm | Diameter of housing abutment |
min.70 mm | Diameter of housing abutment |
min.3 mm | Minimum width of space required in housing on large side face |
min.3.5 mm | Minimum width of space required in housing on small side face |
max.3.5 mm | Radius of shaft fillet |
max.0.8 mm | Radius of housing fillet |

Calculation data
| Basic dynamic load rating | C | 66 kN |
|---|---|---|
| Basic static load rating | C0 | 75 kN |
| Fatigue load limit | Pu | 8.15 kN |
| Reference speed | 7 000 r/min | |
| Limiting speed | 8 500 r/min | |
| Limiting value | e | 0.3 |
| Calculation factor | Y | 2 |
| Calculation factor | Y0 | 1.1 |
Mass
| Mass | 0.31 kg |
Automatic machine to manufacture taper roller bearing

It is a high-quality bearing designed to withstand the toughest environments. It is reliable, durable, and backed by excellent customer service. If you're looking for a taper roller bearing that will deliver the best performance and value for your money, then look no further than LM102949/10. Try it today and experience the difference.

