Stainless Steel Pillow Block Bearing SSUCP204-12
Stainless steel bearing can be used in high temperature;
Low temperature harsh environment, long life, low energy consumption, low noise and good stability.
3/4" Stainless Steel Pillow Block Bearing SSUCP204-12
This bearing is stainless steel and has a wide inner ring with two set screws for attaching to the shaft.
The pillow block bearing SS-UCP204 is suitable for high radial loads and is hygienic and corrosion resistant with its stainless steel housing and stainless steel bearing insert.

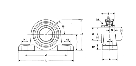
Unit Shaft Dimensions Set Screw Bearing Housing Weight
No. Dia. ds No. No.
d H L J A N N1 H1 H0 S B UNF kg lbs
SSUCP201-08 1/2 1.31 5.00 3.78 1.46 0.51 0.63 0.55 2.51 0.50 1.22 1/4 28 SSUC201-08 SSP204 0.7 1.54
SSUCP202-10 5/8 1.31 5.00 3.78 1.46 0.51 0.63 0.55 2.51 0.50 1.22 1/4 28 SSUC202-10 SSP204 0.7 1.54
SSUCP204-12 3/4 1.31 5.00 3.78 1.46 0.51 0.63 0.55 2.51 0.50 1.22 1/4 28 SSUC204-12 SSP204 0.7 1.54
SSUCP205-14 7/8 1.44 5.51 4.13 1.50 0.51 0.75 0.59 2.74 0.56 1.34 1/4 28 SSUC205-14 SSP205 0.75 1.65
SSUCP205-15 15/16 1.44 5.51 4.13 1.50 0.51 0.75 0.59 2.74 0.56 1.34 1/4 28 SSUC205-15 SSP206 0.75 1.65
SSUCP205-16 1 1.44 5.51 4.13 1.50 0.51 0.75 0.59 2.74 0.56 1.34 1/4 28 SSUC205-16 SSP207 0.75 1.65
SSUCP206-18 1 1/8 1.69 6.50 4.76 1.73 0.67 0.83 0.63 3.23 0.63 1.50 1/4 28 SSUC206-18 SSP206 1.3 0.97
SSUCP206-19 1 3/16 1.69 6.50 4.76 1.73 0.67 0.83 0.63 3.23 0.63 1.50 1/4 28 SSUC206-19 SSP206 1.3 0.97
SSUCP206-20 1 1/4 1.69 6.50 4.76 1.73 0.67 0.83 0.63 3.23 0.63 1.50 1/4 28 SSUC206-20 SSP206 1.3 0.97
SSUCP207-20 1 1/4 1.87 6.57 4.96 1.89 0.67 0.83 0.67 3.62 0.69 1.69 5/16 24 SSUC207-20 SSP207 1.6 3.52
SSUCP207-22 1 3/8 1.87 6.57 4.96 1.89 0.67 0.83 0.67 3.62 0.69 1.69 5/16 24 SSUC207-22 SSP207 1.6 3.52
SSUCP207-23 1 7/16 1.87 6.57 4.96 1.89 0.67 0.83 0.67 3.62 0.69 1.69 5/16 24 SSUC207-23 SSP207 1.6 3.52
SSUCP208-24 1 1/2 1.94 7.25 5.35 2.05 0.67 0.83 0.71 3.86 0.75 1.94 5/16 24 SSUC208-24 SSP208 1.9 4.18
SSUCP209-28 1 3/4 2.13 7.47 5.75 2.13 0.67 0.83 0.79 4.15 0.75 1.94 5/16 24 SSUC209-28 SSP209 2.3 5.06
SSUCP210-31 1 15/16 2.25 8.13 6.26 2.24 0.78 0.87 0.83 4.42 0.75 2.03 3/8 24 SSUC210-31 SSP210 2.6 5.72
SSUCP210-32 2 2.25 8.13 6.26 2.24 0.78 0.87 0.83 4.42 0.75 2.03 3/8 24 SSUC210-32 SSP210 2.6 5.72
SSUCP211-32 2 2.50 8.63 6.77 2.36 0.78 0.87 0.87 4.90 0.87 2.19 3/8 24 SSUC211-32 SSP211 3.3 7.26

Basic Dimensions | ||||
Shaft Size | Shaft Height | Bolt Distance | Overall Length | Overall Height |
3/4" | 1.31" | 3.78" | 5.00" | 2.51" |
Consisting of a stainless steel ball bearing insert SSUC 204 and a stainless steel housing SSP 204 Suitable for mounting on flat surfaces and excessive radial load capacities The housing is made of stainless steel and is consequently hygienic and corrosion-resistant The bearing insert made of stainless steel is additionally corrosion-resistant and has an extended internal ring with grub screws The pillow block bearing is established on the shaft with two grub screws Smooth strolling and correct conduct with tilting due to the extended internal ring Static misalignments can be compensated up to an attitude of 2° two-piece sealing system: with sheet steel washer strengthened rubber seal inside; outside additionally with upstream slinger made of sheet steel for high mechanical safety in opposition to overseas matter lubricated for life; underneath ordinary working stipulations relubrication is now not required housing with integrated lubrication hole.

