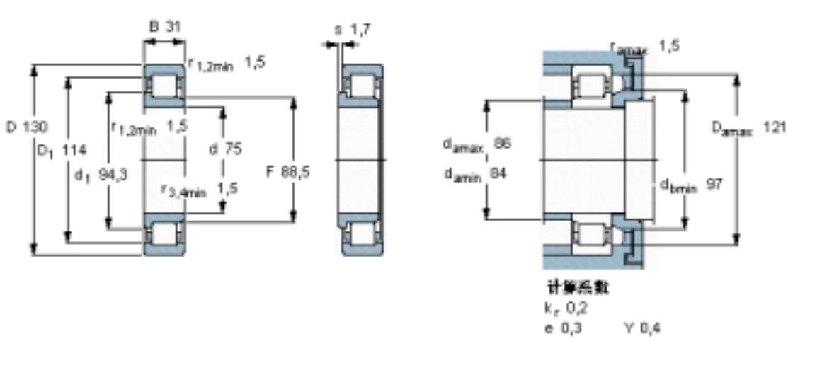
Cylindrical roller bearing NJ2215E
1. Radial bearing capacity is large which is suitable for heavy load and impact load.
2. Small friction coefficient, suitable for high speed. Limit speed close to deep groove ball bearings.
3. N type and NU type can move axially and can adapt to the change of the relative position of the shaft and the shell caused by thermal expansion or installation error which can be used as free end support.
4. Inner ring or outer ring can be separated, easy to install and disassemble.
Cylindrical roller bearing NJ2215E
Brass cage.
Diameter
75*130*31mm


NJ2215 is used in a wide range of applications, Mainly used in dripping shot machine, crane, high frequency welding machine, explosion-proof pump, testing machine, coffee shop equipment, garbage truck, pressure gun, roller scraper dryer, film blowing machine, plastic welding machine, terminal machine, business card printing machine, press molding machine, ball mill, ceramic building materials processing equipment, mining measuring instrument, plastic packaging machinery, spot welding machine, extrusion equipment, press, examination equipment, refrigerator , cutting equipment, monitoring equipment, friction welding machine, plastic wire drawing machine, fan, crushing equipment, drilling machine, etc


